Helios KWL EC 270 W nástenná rekuperačná jednotka
Nástenná rekuperačná jednotka Helios KWL EC 270 W s protiprúdovým rekuperátorom je vhodná do bytových, či rodinných domov, pretože je schopná odvetrať až 310 m3 vzduchu za hodinu. Účinnosť spätného získavania tepla je viac ako 90%, čo znamená, že je energeticky veľmi šetrná. Jednotka je vybavená technológiou Helios EasyControls, ktorá umožňuje jednoduché ovládanie cez webový prehliadač pripojením do PC siete, či už cez notebook, smartfón alebo tablet. Taktiež je táto technológia kompatibilná s manuálnymi ovládačmi, senzormi kvality ovzdušia alebo sa dá pripojiť na centrálny riadiaci systém budovy cez MODBUS rozhranie. Montáž a údržba jednotky je veľmi jednoduchá. Treba si však nechať voľné miesto pred dvierkami jednotky, aby sa do nej dalo ľahko dostať.
Kryt pozostáva z pozinkovaného oceľového plechu (v bielej farbe), pod ktorým sa nachádza vrstva EPS polystyrénu s vynikajúcimi tepelnými a protihlukovými vlastnosťami. O prívod a odvod vzduchu sa starajú dva tiché, úsporné ventilátory s EC motormi, ktoré nevyžadujú žiadnu údržbu.
Čistenie a údržbu vyžadujú len filtre umiestnené vo vnútri jednotky, ktoré čistia vzduch a zabraňujú znečisteniu jednotky. V jednotke sú umiestnené filtre G4, no dajú sa vymeniť aj za peľové filtre F7.
Rekuperátor je vybavený technológiou bypass, ktorá dokáže automaticky jednotku uzatvárať. V zimnom období sa automaticky reguluje prívod objemu vzduchu, a tým je jednotka chránená proti námraze. Je však možnosť privádzaný vzduch do jednotky predohrievať zapojením elektrického ohrievača na nasávacie potrubie.
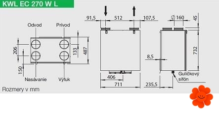
Jednotka sa napája na potrubie s priemerom 160 mm.
Typy rekuperátora
- plastový
- entalpický ET - s funkciou spätného získavania vlhkosti
Prevedenie
- pravé - upevnenie jednotky o pravú stranu
- ľavé - upevnenie jednotky a ľavú stranu
Ovládanie
- manuálny ovládač - posuvný prepínač s tromi výkonnostnými stupňami
- komfortný ovládač - grafický prepínač so štyrmi výkonnostnými stupňami
Vlastnosti
| Hlučnosť | 27-43 dB(A) | |
| Hmotnosť | 49 kg | |
| Príkon | 20 - 136 W | |
| Napätie | 1 ~ 230 V | |
| Frekvencia | 50 Hz | |
| Prúd | 1,0 A | |
| Prietok vzduchu | 310 m³/h | |
| Teplotný rozsah | -20°C až +40 °C |
Video
Na stiahnutie
-
- Katalógový list - Helios KWL EC 270 W ( 179.45 KB) Stiahnuť
- Schéma elektrického dopojenia - Helios KWL EC 300 W ( 459.18 KB) Stiahnuť
- Informácia k elektrickej príprave na stavbe - Helios KWL EC 300 W ( 206.48 KB) Stiahnuť
- Montážny návod - Helios KWL EC 270 W ( 7.22 MB) Stiahnuť
- Návod k ovládaniu easyCONTROLS - Helios KWL EC 300 W ( 1.02 MB) Stiahnuť
- Energetický štítok KWL EC 270 W L_4230-002 ( 113.26 KB) Stiahnuť
- Energetický štítok KWL EC 270 W R_4228-002 ( 113.86 KB) Stiahnuť
- ErP údaje KWL EC 270 W L_4230-002 ( 246.00 KB) Stiahnuť
- ErP údaje KWL EC 270 W R_4228-002 ( 245.83 KB) Stiahnuť