Klapka má tesné prevedenie podľa normy ÖN M 6027. List klapky je tvorený rámom a silikónovou membránou. Je vhodná na inštaláciu do vertikálnej či horizontálnej polohy. Montáž sa vykonáva zasunutím do potrubia. Klapka obsahuje tesnenie na upevnenie a fixáciu v potrubí.
• použitie v kruhovom potrubí
• prevedenie s magnetom
• vyrobená z plastu
• inštalácia prednostne vo zvislej polohe
Montáž
Je nutné si uvedomiť smer prúdenia vzduchu. Spätná klapka musí byť demontovateľná, prístupná pre servis a obsluhu. Os spätnej klapky musí byť vždy v horizontálnej polohe. Pootočenie osi zabráni správnemu fungovaniu. Spätnú klapku RSKW 200 ED umiestnite do potrubia kolmo, max. 0°– 5° proti smeru prúdenia vzduchu. Pre zabezpečenie jednoduchšieho servisu sa odporúča klapku montovať do revízneho dielu RD - instabox.
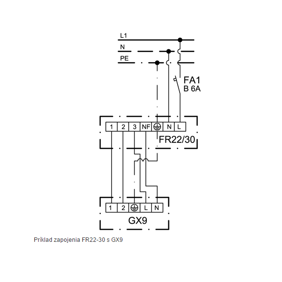
Xpelair FR 22/30 regulátor
Výrobca: Applied Energy
Vlastnosti
| Rozmery | 86 x 210 x 41 (VxŠxH) mm | |
| Napätie | 220 - 240 V | |
| Frekvencia | 50 Hz | |
| Prúd | 0,4 A | |
| Max. teplota okolia | do 40 °C |
Môže sa vám páčiť aj
v košíku
v košíku
v košíku
v košíku
v košíku
v košíku
v košíku
v košíku
v košíku
v košíku
v košíku
v košíku