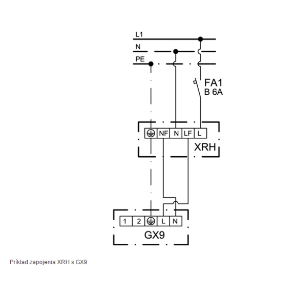
XRH - nastaviteľný snímač vlhkosti

Výrobca: Applied Energy
Zdieľať:

77,90 EUR

63,33 EUR bez DPH

77,90 EUR

63,33 EUR bez DPH
Nákup na splátky
  • automatické zapnutie ventilátora pri prekročení nastavenej hodnoty relatívnej vlhkosti
  • Automatické vypnutie ventilátora pri poklese relatívnej vlhkosti pod nastavenú úroveň
  • Zapnutie a vypnutie tiahlom (šnúrkou)
  • LED kontrolka chodu ventilátora
  • Povrchová alebo zapustená montáž

    Vhodný pre ventilátory: DX100, DX180 Premier, DX200 Premier, DX400 Premier, CMF, GX6, GX9, GX12, WX6, WX9, WX12

Vlastnosti

Rozmery 86 x 160 x 45 (VxŠxH) mm
Napätie 220-240 V
Frekvencia 50 Hz
Prúd 2 A
Max. teplota okolia do 40 °C
Možnosti platby:
Možnosti platby