ZN 708 časové relé
Výrobca: Soler & Palau
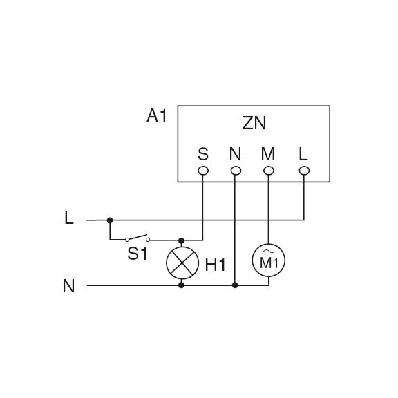
ZN 708 je zariadenie, ktoré je určené pre oneskorenie vypnutia axiálnych a radiálnych ventilátorov. Doba časového dobehu je pevne stanovená na cca 7 min. (±1min). Spínač sa ovláda vypínačom osvetlenia miestnosti alebo samostatným tlačidlom.
Technické parametre:
• pevne nastavený čas
• je vstavaný v plastovom púzdre, ktoré možno umiestniť pod vypínač
• interval dobehu typ 708 – 7±1 minuta (vhodný do WC)
• interval dobehu typ 715 – 15±1 minuta (vhodný do kúpelne)
Vlastnosti
Napätie | 230/50 V/Hz | |
Rozmery | 40 x 20 x 13 (VxŠxH) mm | |
Prúd | 0,8 A | |
Trieda krytia, motor | IP20 | |
Max. teplota okolia | 0-50 °C |
Na stiahnutie
-
- ZN 708 - Návod na obsluhu ( 268.88 KB) Stiahnuť
Môže sa vám páčiť aj
v košíku
v košíku
v košíku
v košíku
v košíku
v košíku
v košíku
v košíku
v košíku