Systemair TG-A130 je snímač povrchovej teploty. Je vhodný pre systémy AQUA. Balenie obsahuje okrem snímača aj svorku na prichytenie. Systemair TG-A130 môže byť taktiež použitý ako snímač proti mrazovej ochrany pre vodný výmenník. Inštalovať tento snímač je možné len na povrch spätného potrubia vodného ohrievača. Je prísne zakázané použiť ho spolu s regulátorom triedy PULSER.
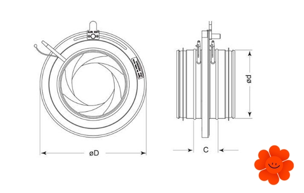
SPI 200 Systemair clonka
Systemair SPI 200 je regulačná clonka na meranie a reguláciu prietoku vzduchu.
Vyznačuje sa veľmi nízkou hlučnosťou (za miesto kde sa táto clonka nachádza, nie je potrebný tlmič hluku). Rovnomerným tvarom prúdu vzduchu , ktorý má kruhový centrický prierez a príslušenstvom na presné meranie. Dostupné priemery ø 80-800 mm.
Systemair SPI 200 clonka je vyrobená z pozinkovaného oceľového plechu a je vybavená gumovým tesnením v mieste spoja s kruhovým potrubím. Je ju možné použiť na regulovanie prietoku vzduchu aj pri odvode vzduchu.
Montáž
SPI sa musia inštalovať s minimalizáciou vplyvov, ktoré znižujú presnosť regulácie.
Na clonke SPI je možné presne merať prietok vzduchu na všetkých miestach potrubnej siete, vrátane miest v blízkosti napr. odbočiek v tvare T, oblúkov alebo pred ostatnými prívodnými elementami.
Bezpečná doporučená minimálna vzdialenosť montáže:
Koleno pred/za 1 x D
Pred T-kusom 3 x D
Za T-kusom 1 x D
Pred distribučným prvkom 3 x D
Vlastnosti
| Hmotnosť | 2,1 kg | |
| Max. teplota okolia | 70 °C | |
| Trieda tesnosti | C |